| Sign In | Join Free | My qualitytoyschina.com |
|
Brand Name : Hoan
Model Number : JZP-2.0B-SC
Place of Origin : China
MOQ : 4
Payment Terms : L/C,D/A,D/P,T/T,Western Union,MoneyGram
Characteristic : wide working frequency, long life span
Working Temperature : -55 ~ +120
Height : 30mm
Product Certification : ISO 9001
Diameter : 0.25-2 inches
Port : Xi'an or Specified
Features : Anchoring Holes; Oil Resistant
Packing : Standard Packing
Working Temperatu : : -55 ~ +120
Color : Black
Accessories : Net
Function : Absorb energy and dissipate it as heat
JZP-B-SC Series
Engineering Wisdom for Cost Reduction & Efficiency Enhancement: The Whole-Life-Cycle Value of Xi'an Hoan's JZP Series Vibration Isolators
When procuring on-vehicle equipment components, the initial cost is just the tip of the iceberg. With its outstanding engineering design and long-lasting reliability, the JZP Series On-Vehicle Modular Vibration Isolators from Xi'an Hoan Microwave Co., Ltd. demonstrate remarkable whole-life-cycle value for users, making them a wise choice for achieving long-term cost reduction and efficiency enhancement.
Reducing Maintenance Costs
Equipment without effective vibration isolation sees its failure rate rise exponentially. Frequent issues such as motherboard cracks, hard disk damage, and loose connectors lead to high repair costs and downtime losses. The JZP Series minimizes equipment failure rates through source protection, directly saving substantial subsequent maintenance costs and labor input.
Extending Equipment Service Life
Vibration and impact are silent killers of electronic equipment. Installing JZP vibration isolators is equivalent to providing life-extension protection for precision devices. The equipment operates stably throughout its expected life cycle, delaying the expensive cycle of equipment replacement and significantly improving the return on investment.
Enhancing System Availability
For application scenarios such as emergency communications and military operations, system availability is crucial. A single failure caused by vibration can result in immeasurable consequences. The JZP Series ensures continuous operation of equipment during movement, and its value far exceeds the product's own price.
Therefore, choosing Xi'an Hoan's JZP Series is not a simple procurement, but a forward-looking, highly cost-effective strategic investment.
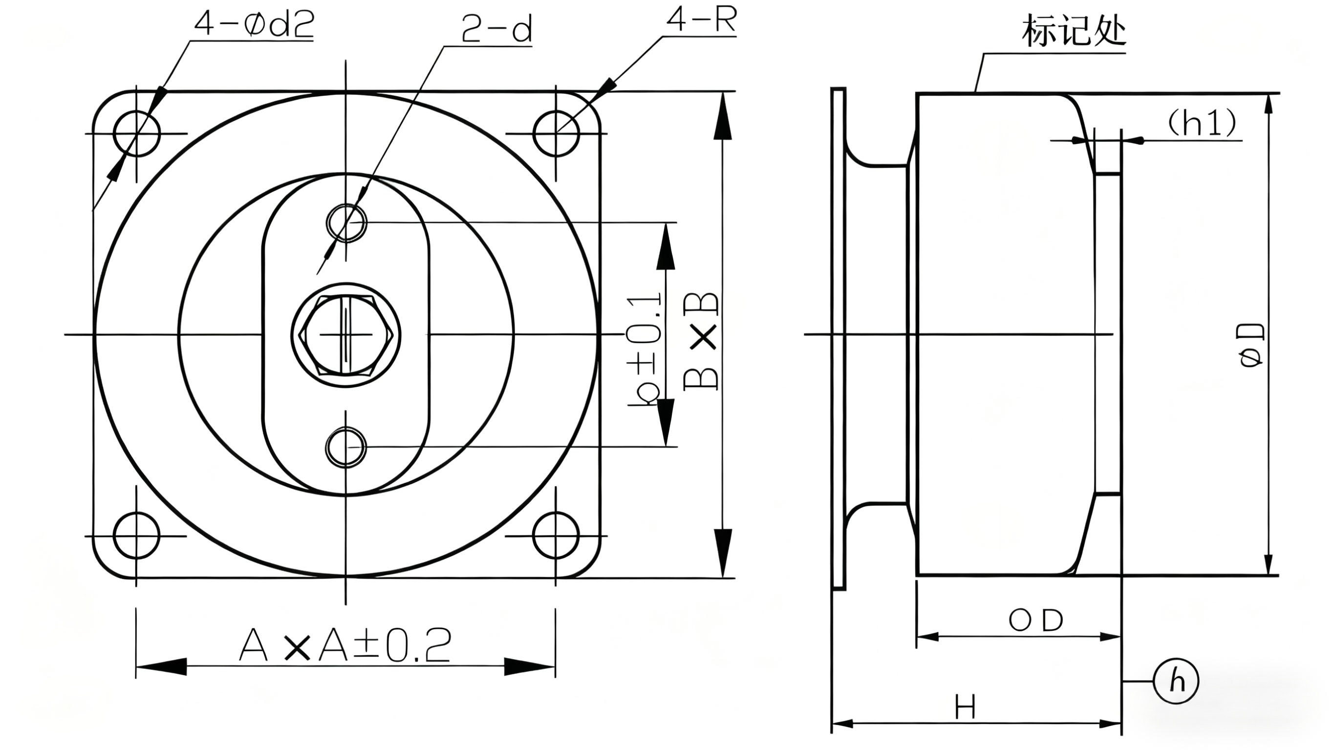
Dimension Parameter Table

| Model | D (mm) | H±1 (mm) | h (mm) | A±0.2 (mm) | B (mm) | d | d2 | R | B (mm) |
| JZP-B-SC | 46 | 30 | 21 | 40 | 50 | M4 | ∅5.5 | 5 | 22 |
Technical Parameter Table
| Model | Nominal Load (kg) | Static Displacement (mm) | Working Temperature (℃) | Resonance Frequency (Hz) | Impact Test | Valid Period (year) |
| JZP-1.0B-SC | 1.0 | ≤0.3 | -45~+65 | 41.5±5 | 100G12times | 8 |
| JZP-1.5B-SC | 1.5 | |||||
| JZP-2.0B-SC | 2.0 | |||||
| JZP-2.5B-SC | 2.5 | |||||
| JZP-3.0B-SC | 3.0 | |||||
| JZP-3.5B-SC | 3.5 | |||||
| JZP-4.0B-SC | 4.0 | |||||
| JZP-5.0B-SC | 5.0 | |||||
| JZP-5.5B-SC | 5.5 | |||||
| JZP-6.0B-SC | 6.0 |
Vibration and impact curve of JZP-B-SC Series
Vibration

Impact

|
|
JZP-2.0B-SC Rubber Shock Absorber with Anchoring Holes and 30mm Height for Effective Energy Absorption Images |